- ball
- Gate valve
- butterfly valve
- Regulating valve
- Cut-off valve
- Globe valve
- Check valve
- Knife Gate Valve
- Safety valve
- Pressure relief valve
- Drain valve
- Plug valve
- Diaphragm valve
- Discharge valve
- Exhaust valve
- Filter
- Solenoid valve
- Needle valve
- Plunger valve
- Copper valve
- Compensator
- Hydraulic control valve
- Electric two way valve
- Vacuum valve
- Thermal insulation valve
- Flame arrester
- Breathing valve
- Balance valve
- Sludge discharge valve
- Ammonia valve
- Metallurgical valves
- Fluorine valve
- Low temperature valve
- Power station valve
- Natural gas valves
- Other valves
- Inlet valve
- Import actuator
J61H/Y welding stop valve
- sell:021-32051999
- sell:021-32050777
- fax:021-66099555
Details
- Product Introduction
- Service Promise
- Ordering Process
Welded globe valves are suitable for cutting off or switching on the pipelines of petroleum, chemical, hydraulic and thermal power plants with nominal pressure of PN10.0-32.0 Mpa and P (54) 100V-P (57) 170V and working temperature of<540 ((P (57) 170V) 570 (?) Suitable medium is water, oil, steam, etc. The ways of operation are manual, gear drive, electric and so on.
Structural features of welded globe valves
1. Product design and manufacture according to E101 and JB/T3595-93 standards, reasonable structure, good performance, beautiful shape.
2. the valve cavity adopts a pressure self tightening seal structure, and the sealing performance is better. The two ends of the branch pipe are welded structures. Welding groove can be matched according to standard or user requirements.
3. The sealing surface of disc and seat is made of Stellite cobalt-based cemented carbide surfacing, which is wear-resistant, high temperature-resistant, good abrasion resistance and long service life.
The 4. stem is quenched and tempered with surface nitriding. It has good corrosion resistance and abrasion resistance.
5. the depth of the gland cover is reasonable, the filler is corrosion inhibitor, and the sealing is reliable.
7. Electric globe valve is equipped with DZW series valve electric device, with small shell, light weight, full function, beautiful appearance and other characteristics, and can be used with the program-controlled computer, can also be selected according to user requirements electric device.
Standard Specification for welded globe valves
Design and manufacture: E101, JB/T3595-93
Pressure temperature: E101, JB/T3595
Structure length: E101
Butt welding joint size: GB/T15198.3-95
Inspection and experiment: GB/T13927-92
Main performance parameters of welded globe valves
產品型號 | 公稱壓力 | 試驗壓力 | 工作壓力 | 工作溫度(℃) | 適用介質 | |||
殼體強度 | 密封 | P54 | P55 | P57 | ||||
J61H/Y-100 | 10 | 15 | 11 | ≤450 | 水、蒸汽、油品 | |||
J61H/Y-200 | 20 | 30 | 22 | |||||
J61H/Y-250 | 25 | 38 | 28 | |||||
J61H/Y-320 | 32 | 48 | 36 | |||||
J61Y-P54/100V | 30 | 22 | 10 | ≤540 | 蒸 汽 | |||
J61Y-P54/140V | 38 | 28 | 14 | |||||
J61Y-P54/170V | 48 | 36 | 17 | 10 | ||||
J61Y-P55/100V | 38 | 28 | 14 | ≤555 | ||||
J61Y-P55/140V | 48 | 36 | 17 | |||||
J61Y-P55/170V | 53 | 39 | 10 | |||||
J61Y-P57/100V | 48 | 36 | 14 | ≤570 | ||||
J61Y-P57/140V | 55 | 40 | 17 | |||||
J61Y-P57/170V | 60 | 44 | ||||||
零件名稱 | 閥體 | 閥蓋 | 閥桿 | 閥瓣 | 密封面 | 填料 | 閥桿螺母 | 手輪 | 緊固體 |
J61H型 | 25 WCB | 25 40Cr | 鉻不銹鋼 鉻鉬鋁鋼化 | 鉻不銹鋼 | 鉻不銹鋼 | 柔性石墨 | 鋁青銅 | 可鍛鑄鐵 | 優良碳鋼鉬鋼 |
J61Y型 | 25 WCB | 25 40Cr | 鉻不銹鋼 鉻鉬鋁鋼化 | 25 | 硬質合金 | 柔性石墨 | 鋁青銅 | 可鍛鑄鐵 | 優良碳鋼鉻鉬鋼 |
J61Y-P54型 | ZG20CrMolV 12CrlMolV | 12C r1MolV | 20CrMol V 25CrlMolV | 12CrlMolV | 硬質合金 | 柔性石墨 | 鋁青銅 | 可鍛鑄鐵 | 鉻鉬鋼 |
J61Y-P55型 | ZG25CrMol V12CrlMolV | 12C r1MolV | 20CrMol V 25CrlMolV | 12C r1MolV | 硬質合金 | 柔性石墨 | 鋁青銅 | 可鍛鑄鐵 | 鉻鉬鋼 |
J61Y-P57型 | ZGl5CrMolV 12CrlMolV | 12CrlMolV | 20CrMol V25CrlMolV | 12CrlMolV | 硬質合金 | 柔性石墨 | 鋁青銅 | 可鍛鑄鐵 | 鉻鉬鋼 |


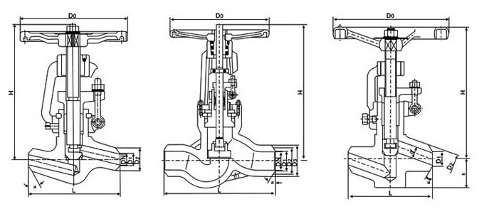
公稱通徑DN | 主要外形尺寸和連接尺寸(mm) | 重量(kg) | ||||||
L | D1 | D2 | D3 | α | H | D0 | ||
J61(H.Y)-25、40、64、100、200、250、320 J61Y-P54/100V、P54/140V、P54/170V | ||||||||
10 | 120 | 12 | 25 | 40° | 185 | 140 | 2.8 | |
15 | 170 | 17 | 36 | 40° | 247 | 200 | 7.5 | |
20 | 170 | 22 | 42 | 40° | 248 | 200 | 9 | |
25 | 170 | 26 | 42 | 40° | 248 | 240 | 9.5 | |
32 | 170 | 31 | 44 | 40° | 248.5 | 280 | 15 | |
50① | 250 | 50 | 82 | 32° | 450 | 320 | 60 | |
50② | 350 | 50 | 82 | 32° | 450 | 320 | 64 | |
65 | 430 | 69 | 100 | 110 | 32° | 669 | 400 | 74 |
80 | 470 | 84 | 108 | 130 | 32° | 669 | 450 | 112.5 |
100 | 560 | 107 | 144 | 165 | 32° | 755 | 500 | 178.5 |
注:DN50為兩種型號。 | ||||||||
J61Y-P55/100V、P55/140V、P55/170V J61Y-P57/100V、P57/140V、P57/170V | ||||||||
10 | 120 | 12 | 28 | 40° | 189 | 140 | 3 | |
15 | 170 | 17 | 40 | 40° | 250 | 200 | 9 | |
20 | 170 | 22 | 46 | 40° | 252 | 200 | 11 | |
25 | 170 | 26 | 46 | 40° | 254 | 240 | 13 | |
32 | 170 | 31 | 49 | 40° | 254 | 280 | 17 | |
50① | 250 | 50 | 90 | 32° | 453 | 320 | 68 | |
50② | 350 | 50 | 90 | 32° | 455 | 320 | 72 | |
65 | 430 | 69 | 104 | 115 | 32° | 630 | 400 | 83 |
80 | 470 | 84 | 110 | 140 | 32° | 672 | 450 | 118 |
100 | 560 | 17 | 148 | 170 | 32° | 761 | 500 | 165 |
The best quality, first-class service Qigao creates more value for you!
"Qigao Valve" expects to continuously improve service quality and strive for excellence. "Sincere service" is the eternal theme of "Qigao". "Qigao" strictly followsIS09001-2000 Quality system certification requirements, strict quality control, responsibility to people, to ensure the healthy operation of production, sales and service. Strengthen communication with users and provide quality products to our customers with perfection and perfect service. Hereby our factory makes the following commitments:
Product Standards:
Products in strict accordance with ChinaGB、HG Standard and USAPISuch as standard design, manufacturing, acceptance. The hardness of the sealing surface meets the requirements of the state and the width exceeds the national standard.
pre-sale service:
Product introduction, technical exchange, non-standard product design, troubleshooting。
Sale service:
A trustworthy contract guarantees timely delivery and keeps in touch with customers. For special or duplicate products, our factory arranges technicians to use and troubleshoot the products for users.
After sales service:
1、"Qigao" brand product quality period is from the factory12In the month, the implementation of the "three guarantees" service (return, replacement, warranty).
2、During the use of our products, our factory regularly organizes technical and quality inspection personnel to visit and consult users for feedback on product quality, usage status and improvement opinions, so as to further improve product quality.
3、Respond quickly to the quality of user complaints, after-sales service personnel rushed to the scene in 24-36 hours (48 hours outside the province).
4、For after-sales service, users are required to fill out the quality feedback information form after the service and make an appraisal opinion in order to improve the service quality of Qigao.
1、If the customer has special requirements for the product, the following instructions must be provided in the order contract.:
a、Structure length;
b、Connection Type;
c、Nominal diameter, full diameter, reduced diameter, pipe size;
d、Operating medium and temperature, pressure range;
e、Tests, inspection standards and other requirements
2、The factory can configure various types of driving devices according to customer's specific requirements.。
3、If the type and model of the valve are determined by the customer, the customer shall correctly state the meaning and requirements of the model and sign the contract under the condition that the supplier and the buyer understand each other.
4、For futures and order customers, please call us in advance to tell the required valve model, specification, quantity, delivery time and location, and timely transfer to the factory account according to the total 30% deposit or full payment. The rest of the payment is pending. Import before shipment to arrange delivery in time.
Order Process:
1、Customer purchase list fax to021-33872143,Or call us 021-33872141
2、Receive customer purchase list, provide valve model selection and quotation (price list)。
3、Specific agreement: delivery date, special requirements, etc.。
download Google:
1、If the customer has special requirements for the product, the following instructions must be provided in the order contract.:
|
|||||
|
|||||
2、The factory can configure various types of driving devices according to customer's specific requirements.。
|
|||||
3、If the type and model of the valve are determined by the customer, the customer shall correctly state the meaning and requirements of the model and sign the contract under the condition that the supplier and the buyer understand each other.
|
|||||
4、For futures and order customers, please call us first to tell the required valve model, specifications, quantity, delivery time and location, and press the total30%The deposit or full payment will be remitted to our factory account in time., The rest of the payment will be remitted before shipment to arrange delivery in time.。
|
Sale service:
Trustworthy contract, guarantee timely delivery, keep in touch with customers at any time。
For special or duplicate products, our factory arranges technicians to use and troubleshoot the products for users.
After sales service:
1、"Qigao" product quality period is from the factory12Month, practice“Three packs”Service (return, replacement, warranty)。
2、During the use of our products, our factory regularly organizes technical and quality inspection personnel to visit and consult users for feedback on product quality, usage status and improvement opinions.,
In order to further improve product quality。
3、Respond quickly to the quality of user complaints, after-sales service personnel24-36Hours (outside the province48Hour) rushed to the scene。
4、For after-sales service, the user is required to fill out the quality feedback information form after the service and make an appraisal opinion in order to improve the service quality of “Qigao”.。
statement |
|