EG6B41J英標常閉式氣動襯膠隔膜閥
- 銷售:021-32051999
- 銷售:021-32050777
- 傳真:021-66099555
詳情介紹
- 產品介紹
- 服務承諾
- 訂貨流程
EG6B41J英標常閉式氣動襯膠隔膜閥 產品說明
設計與制造:GB12239或BS5156
結構長度:GB12221或BS5156
法蘭連接尺寸:GB4216.4或BS4504
試驗與檢驗:GB/T13927或BS5156
主要零件材料
閥體:鑄鐵、球墨鑄鐵、碳鋼、不銹鋼
閥蓋:鑄鐵、球墨鑄鐵、碳鋼、不銹鋼
襯里:無襯里、橡膠
隔膜:橡膠
閥瓣:鑄鐵、碳鋼
閥桿:碳鋼、不銹鋼
手輪:鑄鐵
測試
襯里層:電火花檢測
試驗與檢驗按BS6755標準
公稱壓力:PN(MPa)
閥體:PN×1.5
密封:PN×1.1
結構特點
隔膜閥是一種特殊形式的截止閥:
1. 彈性密封的開閉件,確保沒有內漏;
2. 流線型的流道,使得壓力損失小;
3. 沒有填料函,因此沒有外漏;
4. 閥體與蓋被中間隔膜隔開,使得隔膜上方的閥蓋,閥桿等零件不受介質侵蝕;
5. 隔膜可更換,維護費用低;
6. 襯里材料的多樣性,可適用于各種介質,并具有強度高、耐腐蝕性能好的特點。
EG6B41J氣動常閉式襯膠隔膜閥,EG6B41J-10,EG6B41J-6型號襯膠閥門是用來改變通路斷面和介質流動方向,具有導流、截止、調節、節流、止回、分流或溢流等功能。閥門可用于控制水、蒸汽、油品、氣體、泥漿、各種腐蝕性介質、液態金屬和放射性流體等流體的流動。
性能規范
型號 | 公稱壓力 | 試驗壓力PS(Mpa) | 適用介質 | 工作溫度(℃) | |
EG6B41WJF-6 | 0.6 | 0.9 | 0.66 | W.非腐蝕性流體 | ≤100 |
EG6B41WJF-10 | 1.0 | 1.5 | 1.1 | ||
EG6B41WJF-16 | 1.6 | 2.4 | 1.76 | ||
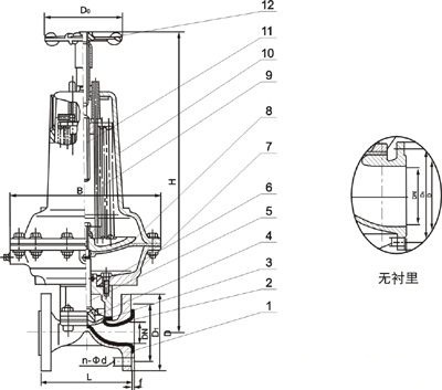
部件列表:1、閥體 2、閥體襯里 3、隔膜 4、閥瓣 5、下閥桿 6、閥蓋 7、氣缸 8、活塞 9、彈簧 10、氣缸蓋 11、上閥桿 12、手輪


主要外形連接尺寸及重量
型號 | 公稱通徑 | 尺寸(mm) | 氣動裝置 | 重量 | |||||||||||
L | f | D1 | D | D0 | n-d | H | B | 代號 | 耗氣量(cm3) | 氣源壓力(MPa) | 氣源接頭(in) | ||||
J型 | W型 | ||||||||||||||
EG6B41WJF-16 | 20 | 121 | 117 | 2 | 75 | 105 | 120 | 4-13.5 | 168 | 61 | 163.87 | 0.3 | 1/8 | 7.2 | |
25 | 131 | 127 | 2 | 85 | 115 | 120 | 4-13.5 | 394 | 168 | 61 | 196.65 | 0.3-0.4 | 1/8 | 8.9 | |
32 | 150 | 146 | 2 | 100 | 140 | 120 | 4-17.5 | 400 | 168 | 61 | 229.4 | 0.3-0.4 | 1/8 | 10.6 | |
40 | 163 | 159 | 2 | 110 | 150 | 165 | 4-17.5 | 485 | 260 | 62 | 1425.7 | 0.3-0.4 | 1/4 | 19.5 | |
50 | 194 | 190 | 2 | 125 | 165 | 165 | 4-17.5 | 635 | 318 | 63 | 2284.1 | 0.3-0.4 | 1/4 | 34.9 | |
EG6B41WJF-10 | 65 | 220 | 216 | 2 | 145 | 185 | 165 | 4-17.5 | 650 | 318 | 63 | 3048 | 0.3-0.4 | 1/4 | 39.9 |
80 | 258 | 254 | 2 | 160 | 200 | 165 | 8-17.5 | 660 | 318 | 63 | 3244.7 | 0.4-0.5 | 1/4 | 51.9 | |
100, | 309 | 305 | 2 | 180 | 220 | 280 | 8-17.5 | 816 | 425 | 64 | 6964.5 | 0.4-0.5 | 3/8 | 93.2 | |
125 | 362 | 356 | 3 | 210 | 250 | 280 | 8-17.5 | 825 | 425 | 64 | 7439.7 | 0.4-0.5 | 3/8 | 105.3 | |
150 | 412 | 406 | 3 | 240 | 285 | 310 | 8-22 | 1013 | 549 | 65 | 14912 | 0.5 | 3/8 | 184.5 | |
EG6B41WJF-6 | 200 | 529 | 521 | 4 | 295 | 340 | 483 | 8-22 | 1300 | 749 | 66 | 49161 | 0.5 | 1/2 | 407.4 |
注:
1、氣動隔膜閥尚可附裝反饋信號、限位器或定位器,以適應自近控、程控或調節流量的需要
2、氣動閥門的反饋信號采用無觸點傳感技術
3、采用氣缸活塞式
4、當氣源發生故障時,可操作手輪使閥門開啟
良好的品質、優良的服務 奇高為你創造更多價值!
“奇高閥門”的期望,不斷提升服務質量,精益求精,“真誠的服務”是“奇高”永恒的主題。“奇高”嚴格按照IS09001-2000 質量體系認證要求,質量嚴格把關, 責任到人,確保生產、銷售、服務的健康運行。加強與用戶溝通,竭誠為廣大客戶提供優良產品,貼心服務。特此我廠做出以下承諾:
產品標準:
產品嚴格按照中國GB、HG 標準和美國API等標準設計、制造、驗收。密封面硬度達到國家規定要求,寬度超過國家標準。
售前服務:
產品介紹,技術交流,非標產品設計,疑難解答。
售中服務:
守信合同,及時供貨,隨時保持與客戶聯系。 對特殊或復制的產品,我廠安排技術人員對用戶進行產品使用、故障排除
售后服務:
1、“奇高”牌產品品質期為自出廠起12個月,實行“三包”服務(包退、包換、保修)。
2、產品在使用中我廠定期組織技術、質檢人員進行訪問,征詢用戶對產品質量、 使用狀況、改進意見等方面的反饋, 以便進一步提高產品質量。
3、對用戶投訴質量問題,快速作出反應,售后服務人員在24-36小時(省外48小時)趕赴現場。
4、對售后服務,要求用戶填寫服務后的質量反饋信息表,并作出鑒定意見,以便提高奇高的服務質量。
1、客戶如對產品有特殊要求,須在訂貨合同中提供以下說明:
a、結構長度;
b、連接形式;
c、公稱直徑、全通徑、縮徑、管道尺寸;
d、運行介質及溫度、壓力范圍;
e、試驗、檢驗標準及其他要求
2、本廠可根據客戶特定要求配置各類驅動裝置。
3、如由客戶提供確定的閥門類型和型號時,客戶應正確說明其型號的含義和要求,在供需雙方理解一致的條件下簽訂合同。
4、期貨、訂貨的客戶請先來電函詳細告訴所需的閥門型號、規格、數量以及交貨時間、地點,并按總的30%預定金或全額貨款及時匯入我廠帳戶,其余貨款待發貨前匯入,以便及時安排發貨。
訂單流程:
1、客戶采購清單傳真至021-33872143,或來電咨詢 021-33872141
2、收到客戶采購清單,為客戶提供閥門型號選型與報價(價格清單)。
3、具體商定:交貨期、特殊要求等事宜。
訂貨須知:
1、客戶如對產品有特殊要求,須在訂貨合同中提供以下說明:
|
|||||
|
|||||
2、本廠可根據客戶特定要求配置各類驅動裝置。
|
|||||
3、如由客戶提供確定的閥門類型和型號時,客戶應正確說明其型號的含義和要求,在供需雙方理解一致的條件下簽訂合同。
|
|||||
4、期貨、訂貨的客戶請先來電函詳細告訴所需的閥門型號、規格、數量以及交貨時間、地點,并按總的30%預定金或全額貨款及時匯入我廠賬戶, 其余貨款待發貨前匯入,以便及時安排發貨。
|
售中服務:
守信合同,及時供貨,隨時保持與客戶聯系。
對特殊或復制的產品,我廠安排技術人員對用戶進行產品使用、故障排除
售后服務:
1、“奇高”產品品質期為自出廠起12個月,實行“三包”服務(包退、包換、保修)。
2、產品在使用中我廠定期組織技術、質檢人員進行訪問,征詢用戶對產品質量、使用狀況、改進意見等方面的反饋,
以便進一步提高產品質量。
3、對用戶投訴質量問題,快速作出反應,售后服務人員在24-36小時(省外48小時)趕赴現場。
4、對售后服務,要求用戶填寫服務后的質量反饋信息表,并作出鑒定意見,以便提高“奇高”的服務質量。
聲明 |
|